কনফিগারযোগ্য 10A আউটপুট অ্যারে সহ ICs চিপ LTM4670EY কোয়াড µমডিউল রেগুলেটর সরবরাহ করুন
LTM4670EY-এর পণ্যের বিবরণ
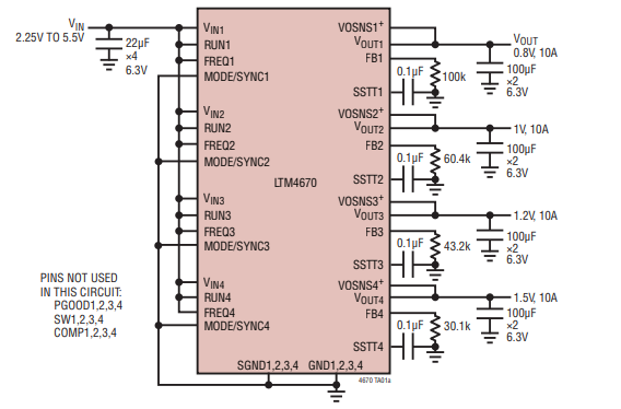
LTM4670EY হল একটি কোয়াড DC/DC স্টেপ-ডাউন µModule® (মাইক্রোমডিউল) রেগুলেটর যার প্রতি আউটপুট 10A।আউটপুট 40A পর্যন্ত ক্ষমতার জন্য একটি অ্যারেতে সমান্তরাল হতে পারে।প্যাকেজের মধ্যে রয়েছে সুইচিং কন্ট্রোলার, পাওয়ার MOSFET, ইন্ডাক্টর এবং সমস্ত সমর্থন উপাদান।2.25V থেকে 5.5V এর একটি ইনপুট ভোল্টেজ পরিসরে অপারেটিং, প্রতিটি আউটপুট ভোল্টেজ 0.5V থেকে VIN পর্যন্ত শুধুমাত্র একটি বাহ্যিক রোধ দ্বারা সেট করা হয়।এর উচ্চ দক্ষতার নকশা প্রতি চ্যানেলে 10A অবিচ্ছিন্ন আউটপুট কারেন্ট সরবরাহ করে।মাত্র কয়েকটি ইনপুট এবং আউটপুট ক্যাপাসিটার প্রয়োজন।
LTM4670EY কম EMI এবং উচ্চ দক্ষতা উভয়ই অর্জন করতে অভ্যন্তরীণ হট লুপ বাইপাস ক্যাপাসিটার সহ একটি সাইলেন্ট সুইচার®2 আর্কিটেকচার নিযুক্ত করে।ডিফল্ট ফ্রিকোয়েন্সি অভ্যন্তরীণভাবে 2MHz এ সেট করা আছে, এটি 1MHz থেকে 2.6MHz পর্যন্ত একটি ঘড়িতে বাহ্যিকভাবে সিঙ্ক্রোনাইজ করা যেতে পারে।
LTM4670EY এর স্পেসিফিকেশন
| অংশ সংখ্যা: | LTM4670EY |
| 2.25 ভি | |
| 5.5 ভি | |
| 70 mA | |
| 2 মেগাহার্টজ | |
| - 40 সে | |
| + 125 সে | |
| LTM4670 |
LTM4670EY এর বৈশিষ্ট্য
LTM4670EY এর অ্যাপ্লিকেশন
LTM4670EY এর সাধারণ অ্যাপ্লিকেশন

FAQ
প্রশ্নঃ আপনার পণ্য কি আসল?
উত্তর: হ্যাঁ, সমস্ত পণ্য আসল, নতুন আসল আমদানি আমাদের উদ্দেশ্য।
প্রশ্নঃ আপনার কোন সার্টিফিকেট আছে?
উত্তর: আমরা ISO 9001:2015 সার্টিফাইড কোম্পানি এবং ERAI-এর সদস্য।
প্রশ্ন: আপনি ছোট পরিমাণ অর্ডার বা নমুনা সমর্থন করতে পারেন? নমুনা বিনামূল্যে?
উত্তর: হ্যাঁ, আমরা নমুনা অর্ডার এবং ছোট অর্ডার সমর্থন করি। নমুনা খরচ আপনার অর্ডার বা প্রকল্প অনুযায়ী ভিন্ন।
প্রশ্নঃ কিভাবে আমার অর্ডার পাঠাতে হয়?এটি নিরাপদ?
উত্তর: আমরা এক্সপ্রেস ব্যবহার করি, যেমন ডিএইচএল, ফেডেক্স, ইউপিএস, টিএনটি, ইএমএস। আমরা আপনার প্রস্তাবিত ফরওয়ার্ডারও ব্যবহার করতে পারি। পণ্যগুলি ভাল প্যাকিংয়ে থাকবে এবং নিরাপত্তা নিশ্চিত করবে এবং আপনার অর্ডারে পণ্যের ক্ষতির জন্য আমরা দায়ী।
প্রশ্ন: সীসা সময় সম্পর্কে কি?
উত্তর: আমরা 5 কার্যদিবসের মধ্যে স্টক যন্ত্রাংশ পাঠাতে পারি। স্টক ছাড়াই, আমরা আপনার অর্ডারের পরিমাণের উপর ভিত্তি করে আপনার জন্য লিড টাইম নিশ্চিত করব।
ব্যক্তি যোগাযোগ: Mr. Sales Manager
টেল: 86-13410018555
ফ্যাক্স: 86-0755-83957753